资源共享
课程章节-项目四;G00、G01指令
1、掌握G00、G01指令的编程格式及特点
2、掌握简单形面的程序设计思想和方法
知识点击:
前面我们学习了数控车床的基础理论知识,并简单介绍了几种编程的常用指令,了解G00,G01指令的作用,下面就来学习如何利用G00、G01指令是进行编程的。
一、快速定位G00
1、格式:G00 X(U)_Z(W)_
式中:
X、Z:绝对编程时使用的坐标
U、W:相对编程时使用的坐标
2、编程实例
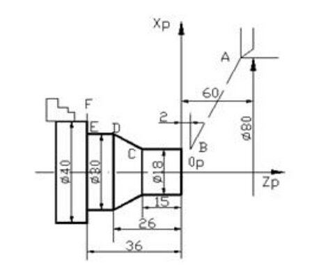
如图所示,要求刀尖从A点移动到B点,再从B点移动到F点。
G00的编程方式
(1) 绝对坐标方式程序
当用绝对值编程时,X、Z后面的数值是目标位置在工件坐标系的坐标。
G00 X80 Z60;
X18 Z2;
X42 Z-36;
(2) 相对坐标方式程序
当用相对值编程时,U、W后面的数值则是现在点与目标点之间的距离与方向
G00 X80 Z60;
U42 W-58;
U24 W-38;
(3)混合编程程序
G00 X80 Z60;
U42 W-58;
X42 Z-36;
3、注意
因为X轴和Z轴的进给速率不同,因此机床执行快速运动指令时两轴的合成运动轨迹不一定是直线,因此在使用G00指令时,一定要注意避免刀具和工件及夹具发生碰撞。如果忽略这一点,就容易发生碰撞,而快速运动状态下的碰撞就更加危险
二、 直线插补G01
1、格式:
G01X(U)_Z(W)_F;
式中:
X、U、Z、W的应用同G00指令格式中的相同
F:进给速度。在程序中一直有效直到指定新值。有两种表示方法:
①每分钟进给量(mm/min);
②每转进给量(mm/r)
2、编程实例
如图要求刀尖从B点移动到C点,再从C点移动到D点。
G01功能应用
(1) 绝对坐标方式程序
G00 X18 Z2;
G01 X18 Z-15 F0.35;
X30 Z-26;
(2) 相对坐标方式程序
G00 X18 Z2;
G01 U0 W-17 F0.35;
U12 W-11;
(3)混合编程程序
G00 X18 Z2;
G01 U0 W-17 F0.35;
X30 Z-26;
三、思考
G00、G01指令都是直线运动,它们有什么不同之处?
四、练习

